溝形鋼
断面が「C」の形をした鋼材。背中合わせにして組み合わせることで、建築や橋梁などの構造物を支える部材として使われています。
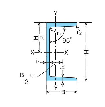
形状・寸法表
| 標準断面寸法 (mm) | 断面積 (cm²) |
単位 質量 (kg/m) |
参考 | |||||||||
|---|---|---|---|---|---|---|---|---|---|---|---|---|
| 断面二次 モーメント(cm⁴) |
断面二次半径 (cm) |
断面係数 (cm³) |
||||||||||
| H×B | t1 | t2 | r1 | r2 | lx | ly | ix | iy | Zx | Zy | ||
| 200×80 200×90 |
7.5 8 |
11 13.5 |
12 14 |
6 7 |
31.33 38.65 |
24.6 30.3 |
1,950 2,490 |
168 277 |
7.88 8.02 |
2.32 2.68 |
195 249 |
29.1 44.2 |
| 250×90 250×90 |
9 11 |
13 14.5 |
14 17 |
7 8.5 |
44.07 51.17 |
34.6 40.2 |
4,180 4,680 |
294 329 |
9.74 9.56 |
2.58 2.54 |
334 374 |
44.5 49.9 |
| 300×90 300×90 300×90 |
9 10 12 |
13 15.5 16 |
14 19 19 |
7 9.5 9.5 |
48.57 55.74 61.90 |
38.1 43.8 48.6 |
6,440 7,410 7,870 |
309 360 379 |
11.5 11.5 11.3 |
2.52 2.54 2.48 |
429 494 525 |
45.7 54.1 56.4 |
| 380×100 380×100 |
10.5 13 |
16 20 |
18 24 |
9 12 |
69.39 85.71 |
54.5 67.3 |
14,500 17,600 |
535 655 |
14.5 14.3 |
2.78 2.76 |
763 926 |
70.5 87.8 |
- 注文の際は、実寸法(H×B×t1/t2×長さ)で御指示願います
- 納期ならびに仕様(曲げ加工及びショット加工など)については、あらかじめご相談ください
- 標準長さは6m以上500mmピッチで24mまで可能ですが、15m以上のご注文の際はあらかじめご相談ください