Channels
Shaped like the letter “C,” channel steel is a structural component in buildings and bridges.Placed back-to-back, excellent load-bearing capacity is ensured.
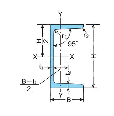
Shape/Dimensions Specifications
| Standard Cross-Section Dimensions (mm) | Cross-Sectional Area (cm²) | Unit Mass (kg/m) | Reference | |||||||||
|---|---|---|---|---|---|---|---|---|---|---|---|---|
| Second Moment of Area(cm⁴) | Radius of Gyration (cm) | Section Modulus(cm³) | ||||||||||
| H×B | t1 | t2 | r1 | r2 | lx | ly | ix | iy | zx | zy | ||
| 200×80 200×90 |
7.5 8 |
11 13.5 |
12 14 |
6 7 |
31.33 38.65 |
24.6 30.3 |
1,950 2,490 |
168 277 |
7.88 8.02 |
2.32 2.68 |
195 249 |
29.1 44.2 |
| 250×90 250×90 |
9 11 |
13 14.5 |
14 17 |
7 8.5 |
44.07 51.17 |
34.6 40.2 |
4,180 4,680 |
294 329 |
9.74 9.56 |
2.58 2.54 |
334 374 |
44.5 49.9 |
| 300×90 300×90 300×90 |
9 10 12 |
13 15.5 16 |
14 19 19 |
7 9.5 9.5 |
48.57 55.74 61.90 |
38.1 43.8 48.6 |
6,440 7,410 7,870 |
309 360 379 |
11.5 11.5 11.3 |
2.52 2.54 2.48 |
429 494 525 |
45.7 54.1 56.4 |
| 380×100 380×100 |
10.5 13 |
16 20 |
18 24 |
9 12 |
69.39 85.71 |
54.5 67.3 |
14,500 17,600 |
535 655 |
14.5 14.3 |
2.78 2.76 |
763 926 |
70.5 87.8 |
- When ordering, please specify actual dimensions (H×B×t1/t2×length).
- Please contact us in advance about turnaround times and specifications (bending, shot blasting, etc.).
- Standard length is 6 m or more with 500 mm pitch up to 24 m, but for orders over 15 m, please contact us before ordering.
Contact For Inquiries and Quotations
Contact Form
For detailed product information, please refer to our catalog.
Download Catalog